前沿拓展:
暖通空调实战技术维修手册
如果本文没有你要的技术资料,在本文给我们留言告知,很多资料我们文章中没有说明
一、各大品牌空调点检、代码、调试方法
近200页10多个主流品牌的点检代码,这个资料的是很多做维保调试的神器!
内容截图:
二、各大品牌空调内部原版技术维修手册
市场上主流品牌30几个品牌都有培训手册我们都有:LG 、TCL、奥克斯、大金、东芝、盾安、顿汉布什、富士通、格力、国祥、海尔、海信、科龙、克莱门特、美博、美意、米家、欧科、国祥、内莱特、清华同方、日立、三菱电机、三菱重工、三星、三洋、申菱、天加、西门子/样子、远大、长虹、志高、开利、麦克维尔、约克、特灵、荏原。
都是精品技术资料,技术资料太多了,因为品牌太多无法一一截图展现,我们截图一些常见牌品的技术手册给大家看看。
1、格力
格力300份内部技术手册,4、5、6代多联机,风管机技术维修调试手册,视频、调试软件。
格力700页商用服务手册
GMV4、5、6故障代码、调试、故障处理,设计手册,选型手册,样本都有!
格力调试软件:
格力四代多联机调试软件RS485通讯;
格力五、六代多联机调试软件CAN通讯;
风管机、单元机调试软件RS485通讯;
格力通讯转换盒子驱动程序;
2、大金
大金的资料上百份,不仅仅是VRV系列,螺杆机这些也有。
不墨迹的,爽快下单的送大金50模式 60模式 65模式!!这3个模式懂的人都知道这个含金量,外面请人都要上千元!!
大金VRV X7最新的原版技术手册
大金所有的故障代码与处理方法
100多份技术资料!
3、三菱重工资料,都是干货!
上百份三菱的资料
3、美的资料
先看看故障代码把,故障代码整理了很多很多,各种商用的,家用的、模块机等等很多很多,由于资料太多,我截取了部分截图给大家看看。
一本美的多联机技术维修手册!
全系列美的故障代码,不管是家用、商用,精密空调、模块机、还是国内产品还是海外产品,故障代码全部都有,全部!
4、海尔资料
很多人要海尔的资料有没有,不要问,问就是有,而且全系资料!全的超乎你的想象!
海尔零部件检测
海尔的资料100份++
6、日立
技术维修资料、故障代码,点检
一般日立故障案例与故障代码,100多页,这个真是精品!!
日立商用空调点检
还有太多的好资料了!!全部资料少说100来份还是有!
麦克维尔技术维修手册
约克多联机技术手册与调试流程教程
特灵技术手册与调试流程教程
LG 三星 三菱 松下等等,很多品牌的资料,这里就不一一列举,如果对资料有疑问的,可以私信小编回复“资料”2个字,这里我截一张我们目前收集到的所有品牌图册给大家看。
点击下图放大查看目前收集到的所有品牌名称!
点击下图放大查看目前收集到的所有品牌名称!
点击下图放大查看目前收集到的所有品牌名称!
资料还会继续更新。。。
除此之外,我们机房空调精密空调的技术资料、热泵的技术资料。
品牌太多了,我就不一一的截图介绍了,还有其它几十个品牌的,......有兴趣的朋友可以私信我,当然除了氟机,水机系统资料也有,如下图所示:
电气原理、技术维护手册
水机的资料我就不一一展示了,四大品牌以及市场上常见的都有,也有这里就不一一介绍了。。。。说明,没有截图的品牌部代表没有,只是文章篇幅所限,空调几十个品牌技术资料都有。。。
再来看看水机的密码与操作说明!密码被隐藏,购买之后一并发给你。
卡乐控制器的实用与调试说明
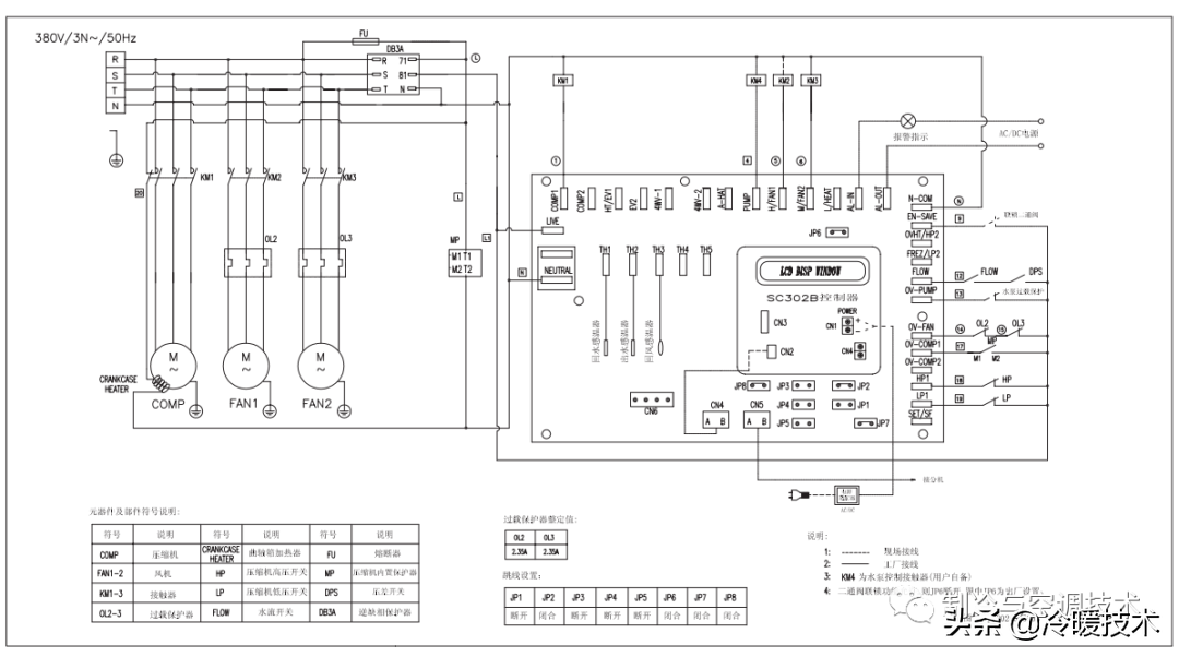
水机的电路图
特别强调了,以上的各大品牌资料只展示很小的一本部分资料,需要的朋友可以私信,回复“资料”2个字,看全部的资料。
二、超实用的视频干货
螺杆机安装、调试、维修视频、换油(视频)
风冷模块的安装,维修,保养视频
精密空调内部培训空调(视频)
多联机安装流程、维修、调试(整套视频)
日立多联机安装与调试视频一套(视频)
离心、螺杆压缩机的安装、调试、换油
中央空调水系统(视频)
空调地暖两联供安装调试视频
空气能热泵安装维修视频
制冷空调技术培训(视频)
多个品牌多联机视频
多联机工作原理基础与基础(视频)
日立拨码点检视频(视频)
多联机维修思路与技能提升视频(视频)
地暖一体机安装维修调试(视频 )
新风系统与全热交换机(视频)
修空调入门到精通(视频)
家用空调工作原理与维修教程(视频)
家用空调、汽车空调、VRV、大型空调加制冷剂,抽真空、保压、充氮保护、焊接操作操作(一套)
中央空调原理与应用(视频)
变频空调维修(视频)
格力官方维修一套(视频)
R32 290 燃爆空调安装维修(视频)
还有其它的视频,不一一介绍。。。。这里特别说一句,如果需要基础的制冷视频我们也有,比如说:制冷原理,压焓图、焓湿图、单级压缩,双级压缩机,各种压缩机介绍、新风量确定与新风负荷、空调负荷的计算、空气热湿处理的原理、一次回风系统、二次回风.....这些视频我们都有,实在是好视频太多了,不知道大家喜欢那些视频。
三、超实用的各种计软表格,软件,工具,压焓图,焓湿图
空调多品牌制冷剂充注量计算,选型与价格计算(软件)
电流自动计算表格
多品牌空调充注量计算表格
制冷剂冷媒冲注计算表
空调最详细的设计与负荷估算,在电脑上输入参数即可用!
最不利环路水利计算
温度压力查询软件
计算表格很多,不一一介绍,如下图所示:
除了以上的计算表格,小编考虑到维修的人员,也把常见的故障排除软件也放进去了,这个是丹佛斯的软件
制冷系统故障排除参考
故障维修排除手册
制冷设备选型、制冷量计算、阀门配件软件软件
压焓图绘制于查询制冷设计,各种制冷剂参数查询,图形绘制,对制冷人员来说简直是必备神奇!
强大的制冷剂热物理性能计算软件
它可以计算多种制冷剂和一些制冷剂的热力学物质数据和传输特性,可用于计算多种冷却剂的制冷剂管道性能(包括管道尺寸)和循环过程。
焓湿图计算,表格,空气处理
焓湿图软件
多联机图纸与设计
暖通工程大样图
冰蓄冷原理与控制图
施工图
水机图纸
300张空调电路图纸,主板维修图纸
四、 制冷 空调 暖通书籍 与PDF文件
多联机控制逻辑与维修
中央空调安装维修、设计选型与注意事项(书籍)
暖通空调设计案例50份
中央空调安装维修保养书多本(书籍)
中央空调安装维修保养书,这个也非常实用
空气能热泵两联供技术(书籍)
暖通与空调手册(书籍)
制冷与空气调节技术(书籍)
中央空调运行管理与维修(书籍)
制冷工程施工安装图集(书籍)
螺杆压缩机与离心压缩机应用(书籍)
暖通空调的实用与设计(文件)
暖通空调设备设计规范文件
暖通空调设计手册
如下图所示,还有很多书籍,就不以一一发图了。。。。。
整套中央空调内部培训教程PPT
各种企业培训资料:
中央空调水系统设计与使用常见问题
制冷系统管路设计
各种制冷设备运行流程与工作原理动态图,200多张!
。。。。。。
其他还要很多很多资料,介绍不完,文章只是介绍了不到一半的资料,都是经过大量删选的好干货资料。资料都是编辑花大量时间收集
私信回复“资料”2个字,里面有了解详情~~~
拓展知识:
标题:志高中央空调代码大全维修(志高空调故障代码查询)
地址:http://www.cdaudi4s.com/bingxiang/weixiuzixun/137948.html
